Termékek
Újdonságok
Akciók
> Kiárusítás
Autófelszerelés
Autófelszerelés
Ablaktörlő
Akkutöltő, indítókábel
Autó izzó
Autó szerviz
Autóantenna
Autóápolás
Autós kiegészítő
Autós rendszerező
Autós takaróponyva
FM modulátor
Illatosító
Egyéb illatosító
Lapillatosító
Parfüm illatosító
Zselés illatosító, illatgyöngy
Kormányvédő, szőnyeg
Rakományrögzítő
Riasztó, zár, kulcs
Spray
Belső járműápolás
Jármű karbantartás
Külső járműápolás
Szivargyújtó adapter
Telefontartó, tablettartó
Üléshuzat, ülésvédő
Utánfutó csatlakozó
Videotechnika
Elektronika, villamosság
Elektronika, villamosság
Adapter, inverter, tápegység
Állítható feszültségű adapter
Fix feszültségű adapter
Inverter, konverter
Laptop tápegység
Szünetmentes tápegység, feszültség stabilizátor
Több
Antenna, antenna erősítő
Biztosíték
5x20mm biztosíték
6x30mm biztosíték
Biztosíték foglalat
Késes és egyéb biztosíték
Csatlakozó
220V hálózati csatlakozó
250-400V ipari csatlakozó
AC/DC tápcsatlakozó
Akkucsipesz
Banándugó
Több
Csengő
Csengő tartozék
Csengőnyomó
Vezeték nélküli csengő
Vezetékes csengő
Elszívó ventilátorok
Cső ventilátor
Elszívó ventilátor
Elszívó ventilátor zsaluzattal
Ipari ventilátor
Ventilátor kiegészítő
Energia elosztás
Egyéb relé, kiegészítő
FI relé
Fogyasztásmérő
Földelés
Kiselosztó szekrény
Több
Hálózati hosszabbító, kábeldob
Áramelosztó
Asztali elosztó
Elosztó adapter
Gyermekvédő retesz
Ipari hosszabbító
Több
Kábelcsatorna, kötődoboz
Gégecső
Kábelcsatorna
Kábelcső, kábelcső tartozék
Kötődoboz, szerelvénydoboz
Symalen, betonflex cső
Kapcsoló, nyomógomb
Billenő kapcsoló
Húzókapcsoló
Ipari kapcsoló
Karos kapcsoló
Mikrokapcsoló
Több
Kaputelefon
CODEFON kaputelefon
COMMAX kaputelefon
Egyéb kaputelefon
Elektromos ajtózár
Kaputelefon tartozék
Több
Kényelem, biztonság
Alkonykapcsoló
Biztonságtechnika
Épületgépészet
Fényerőszabályzó
Füst- és Szén-monoxid riasztó
Több
Mérőkészülék
Egyéb mérőműszer
Fáziskereső, fa- és fémkereső
Lakatfogó
Multiméter
Műszer tartozék
Műszerventilátor
Szerelési segédanyag
Érvéghüvely
Hővezető paszta
Kábelkötegelő, kábelrögzítő
Kábelsaru
Rugós vezeték összekötő
Több
Szerelt vezeték
230V-os szerelt vezeték
Audio szerelt vezeték
Computer szerelt vezeték
Multimédia szerelt vezeték
Telekommunikáció szerelt vezeték
Vezeték
50 Ohmos koax vezeték
75 Ohmos koax vezeték
Árnyékolt vezeték
Erősáramú vezeték
Hangszóróvezeték
Több
Villamos szerelvény
ADRIA szerelvény
AQUASTAR szerelvény
AQUATOP szerelvény
ATHENS szerelvény
AUSTIN szerelvény
Több
Elem, akku, akkutöltő
Elem, akku, akkutöltő
Akkumulátor
Duracell akku
Egyéb akku
GP akku
GT zselés akku
Home akku
Több
Akkumulátortöltő
Elem
Duracell elem
GP elem
Kodak, Maxell elem
Raver elem
Varta elem
Elemteszter
Hangtechnika
Hangtechnika
Hangtechnika MNC
Autó HI-FI MNC
Házi HI-FI MNC
Kiegészítő, tartozék MNC
Vezeték MNC
Hangtechnika SAL
Autó HI-FI SAL
Autó HI-FI tartozék SAL
Hangosítás SAL
Házi HI-FI SAL
Kiegészítő, tartozék SAL
Háztartás, otthon, szabadidő
Háztartás, otthon, szabadidő
Dekoráció, ajándék
Csobogó
Hangulatkép
Illatgyertya
Lakás dekoráció
Műnövény dekoráció
Egészségápolás
Elektromos fogkefe
Lázmérő
Vegyes egészségápolás
Fürdőszobai kiegészítő
Gyermekeknek
Házi kedvencek
Háztartási kisgép
Porszívó
Robotporszívó
Vasaló, ruhagőzölő
Vegyes háztartási kisgép
Illatosítók
Irodai készülék, kellék
Kerékpár felszerelés
Konyhai kiegészítő
Cukrászati kellék
Edények, sütőformák
Evőeszköz
Főzéshez eszköz
Főzési alapanyag előkészítés
Több
Konyhai kisgép
Aprító
Botmixer, tálas mixer, turmixgép
Elektromos főzőedény
Elektromos sütő, rezsó
Forró levegős fritőz
Több
Mobiltelefon, Tablet
Okosóra
Power Bank
Telefon, Tablet kiegészítő
Nyílászáró hőszigetelés
Óra, hőmérő
Ruházat
Sport
STB háztartás, otthon
Számítástechnika
Egyéb számítástechnika
Szépségápolás
Hajformázó
Hajszárító
Szakáll és hajvágó
Vegyes szépségápolás
Takarítás, mosogatás
Távirányító
TV konzol, hangszóró tartó
TV, Audio, Video
Audio-video kiegészítő
Digitális beltéri, DVB-T
Fejhallgató, fülhallgató
Hangszer
Hobbi hangosítás
Több
Hűtés, fűtés, párásítás, páramentesítés
Hűtés, fűtés, párásítás, páramentesítés
Fűtéstechnika
Elektromos kandalló
Halogén, kvarccsöves fűtőtest
Hősugárzó
Infrasugárzó fűtőtest
Ipari fűtőtest
Több
Hűtéstechnika
Állóventilátor
Asztali ventilátor
Fali, mennyezeti ventilátor
Kézi ventilátor
Klíma, klíma tartozék
Több
Légtisztítás
Páramentesítés
Párásítás
Kertészet, locsolás, Gardena
Kertészet, locsolás, Gardena
Fa- és bokorápolás
Ágvágó olló
Fejsze
Kézifűrész
Láncfűrész
Metszőolló
Több
Gardena alkatrész, -akku
Gyepápolás
Fűnyíró
Fűnyíró olló
Fűszegélynyíró
Szórókocsi
Kertápoló szerszám
Kerti szerszám nyél nélkül
Kerti szerszám nyéllel
Lombfújó
Nyél
Permetező
Több
Kerti kellékek
Ágyásszegély
ClickUp! termékcsalád
Dekoráció, szolár
Elektromos hosszabbító, csatlakozó
Kerítés
Több
Vízkezelés
Csatlakozó elem
Csepegtető öntözés
Esőztető
Kert a városban
Kerti tömlő
Több
Munkavédelem
Munkavédelem
Fejvédő
Fülvédő
Maszk
Védőkesztyű
Védőruha
Védőszemüveg
Rovar és kártevő elleni védelem
Rovar és kártevő elleni védelem
Rovar-, rágcsálóírtás
Rovar-, rágcsálóriasztás
Szúnyogháló, rovarháló
Szerszám, Stanley
Szerszám, Stanley
> Stanley szerszám
Autószerelés
Bontó szerszám
Csavarhúzó, bit
Egyéb szerszám
Fűrész, -tartozék
Több
Szerszám
Behúzószalag
Blankoló, krimpelő
Csavar, tipli
Csavarhúzó
Csipesz
Több
Szerszámgép
Szerszámgép
Stanley gép
Csiszológép
Egyéb szerszámgép
Fűrészgép
Fúrógép
Kertészeti gép
Több
Stanley tartozék
Bit, tartozék
Dekopír fűrészlap
Egyéb csiszolóhoz
Egyéb fűrészlap
Egyéb fúrószár
Több
Vegyes szerszámgép
Szezonális termék
Szezonális termék
Ballagás
Emlékezés elvesztett szeretteinkre
Halloween
Ablakdekor
Ajándéktáska, kínálótál
Akasztható, polc dekor
Asztalterítő, tálca, tányér
Felfújható, lufi dekor
Több
Húsvét
Karácsony
Ajándéktasak, csomagolóanyag
Dekoráció, kiegészítő
Fényfüzér, fényfüggöny, fényszalag
Karácsonyfa dísz
Műfenyő, girland
Több
Karácsonyi dekoráció
Dioráma
Egyéb dekoráció
Fényfüzér pótizzó, tartozék
Fénykábel
Karácsonyi ablakdísz
Több
Nyári és party termék
Grill
Medence, strand
Party ajándéktasak
Party díszek
Party étkezési kellék
Több
Valentin nap, szerelem
Világítástechnika
Világítástechnika
Beltéri lámpa
Álló lámpa
Asztali lámpa
Beltéri lámpa kiegészítő
Bútorvilágító lámpa
Éjszakai irányfény
Több
Elemlámpa, szerelőlámpa
Akkumulátoros lámpa
Elemlámpa
Elemlámpa-, akkus lámpa tartozék
Fejlámpa
Kötéllámpa, fénytömlő
Több
Fényforrás
Fénycső, fénycsőgyújtó, előtét
Halogén fényforrás
Infra izzó
Izzó
Vonalhalogén izzó
Fényforrás LED
Dekor LED fényforrás
LED E14 foglalattal
LED E27 foglalattal
LED egyéb foglalattal
LED fénycső
Több
Fényvető, reflektor
Állványos és hordozható fényvető
LED-es fényvető
LED-es mozgásérzékelős fényvető
LED-es szolár fényvető
Reflektor tartozék
Foglalat, függeszték
E14 foglalat
E27 foglalat
Egyéb foglalat
Foglalat átalakító
G4 / G5,3 / G6,35 foglalat
Több
Ipari lámpa
Csarnok világító lámpa
Fénycsöves lámpatest
Függeszthető lámpa
Hajólámpa
Háromfázisú kábelsínes rendszer, tartozék
Több
Jelzőfény
Kültéri lámpa
Fali lámpa IP44
Fali lámpa IP54
Fali lámpa IP65
Járófelületbe süllyesztett lámpa
Kerti lámpa
Több
Party fények
Zavaros
Zavaros
Adóvevő rádió
Besorolás alatt
Sziréna, zümmer
Újdonságok
Akciók
397005|593953
> Kiárusítás
865511|593953
Autófelszerelés
504807|593953
Elektronika, villamosság
679017|593953
Elem, akku, akkutöltő
489624|593953
Hangtechnika
133162|593953
Háztartás, otthon, szabadidő
739253|593953
Hűtés, fűtés, párásítás, páramentesítés
173049|593953
Kertészet, locsolás, Gardena
769290|593953
Munkavédelem
301197|593953
Rovar és kártevő elleni védelem
157991|593953
Szerszám, Stanley
479682|593953
Szerszámgép
857067|593953
Szezonális termék
480608|593953
Világítástechnika
866808|593953
Zavaros
Profil
Részletes keresés
Részletes keresés
A kosár üres.
Vásárláshoz kattintson ide!
:
:
Főkategória
Elektronika, villamosság
Energia elosztás
Moduláris kapcsoló
KMP-SAX11 érintkező KAN24081
1 784
Ft + ÁFA
db
Kosárba
Várható kiszállítás 2-10 munkanap
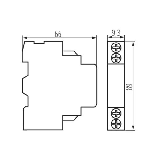
Szín: fehér, Beszerelés helye: TH35 sínre
Oldalsó kiegészítő érintkező motorkapcsolóhoz. 1NO+1NC érintkezők
Kanlux gyártmány
Kedvencekhez
Nyomtat
Összehasonlítás
Adatok
Gyűjtőcsomagolás
1 - 1 db
Várható kiszállítás
2-10 munkanap
Cikkszám
KAN24081
Hasonló termékek
Termékajánló
TOP termékek
Utoljára megnézett
Házhozszállítás
Adatkezelési beállítások
Weboldalunk az alapvető működéshez szükséges cookie-kat használ. Szélesebb körű funkcionalitáshoz (marketing, statisztika, személyre szabás) egyéb cookie-kat engedélyezhet. Részletesebb információkat az
Adatkezelési tájékoztató
ban talál.
Nem engedélyezem
Engedélyezem
Adatkezelési beállítások